额定载荷kg 1000
载荷中心距mm 500
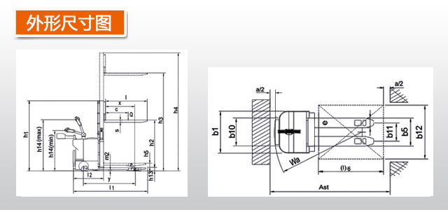
前悬距mm 844
轮距mm 1420
| 物料编码 | 单位 | VB03040099 | VB03040100 | VB03040101 | VB03040102 | VB03040103 |
| 驱动方式 | / | 电动 | ||||
| 驾驶方式 | / | 站驾 | ||||
| 额定载荷Q | kg | 1000 | ||||
| 载荷中心距c | mm | 500 | ||||
| 前悬距x | mm | 844 | ||||
| 轮距y | mm | 1420 | ||||
| 轴负载,满载时前/后轴 | kg | 918/942 | ||||
| 轴负载,空载时前/后轴 | kg | 639/221 | ||||
| 轮子 | / | 聚胺酯轮 | ||||
| 轮子尺寸,前轮 | / | Φ250×80 | ||||
| 轮子尺寸,后轮 | / | Φ80×70 | ||||
| 附加轮(尺寸) | / | Φ150×60 | ||||
| 前轮轮距b10 | mm | 626 | ||||
| 后轮轮距b11 | mm | 470 | ||||
| 门架缩回时高度h1 | mm | 2102 | 1852 | 2102 | 2252 | 2352 |
| 自由提升高度h3 | mm | 1600 | 1300 | 1555 | 1705 | 1805 |
| 起升高度h3 | / | 1600 | 2500 | 3000 | 3300 | 3500 |
| 作业时门架最大高度h4 | mm | 2102 | 3062 | 3562 | 3862 | 4062 |
| 总体长度l1 | mm | 1910 | ||||
| 车体宽度b1 | mm | 780 | ||||
| 货叉尺寸s/e/l | mm | 60×180×1100 | ||||
| 货叉外宽b5 | mm | 650 | ||||
| 轴距中心离地间隙m2 | mm | 27 | ||||
| 通道宽度,托盘1000*1200Ast | mm | 2567 | ||||
| 通道宽度,托盘800*1200Ast | mm | 2502 | ||||
| 转弯半径W2 | mm | 1730 | ||||
| 行驶速度,满载/空载 | Km/h | 4/5 | ||||
| 提升速度,满载/空载 | m/s | 0.08/0.1 | ||||
| 下降速度,满载/空载 | ms/s | 0.15/0.12 | ||||
| 最大爬坡能力,满载/空载 | % | 6/10 | ||||
| 行走制动 | / | 电磁制动 | ||||
| 驱动电机功率 | Kw | 0.75 | ||||
| 提升电机功率 | Kw | 2.2 | ||||
| 蓄电池电压/额定容量 | V/Ah | 24/240 | ||||
| 蓄电池尺寸(长×宽×高) | mm | 650×249×500 | ||||
| 蓄电池重量 | kg | 220 | ||||
| 自重(含蓄电池) | kg | 860 | 880 | 890 | 900 | 910 |
| 驾驶员耳边噪音等级符合DIN12053 | dB(A) | 70 | ||||
| 物料编码 | 单位 | VB03040104 | VB03040105 | VB03040106 | VB03040107 | VB03040108 |
| 驱动方式 | / | 电动 | ||||
| 驾驶方式 | / | 站驾 | ||||
| 额定载荷Q | kg | 1500 | ||||
| 载荷中心距c | mm | 500 | ||||
| 前悬距x | mm | 844 | ||||
| 轮距y | mm | 1440 | ||||
| 轴负载,满载时前/后轴 | kg | 1168/1352 | ||||
| 轴负载,空载时前/后轴 | kg | 755/265 | ||||
| 轮子 | / | 聚胺酯轮 | ||||
| 轮子尺寸,前轮 | / | Φ250×80 | ||||
| 轮子尺寸,后轮 | / | Φ80×70 | ||||
| 附加轮(尺寸) | / | Φ150×60 | ||||
| 前轮轮距b10 | mm | 626 | ||||
| 后轮轮距b11 | mm | 470 | ||||
| 门架缩回时高度h1 | mm | 2102 | 1852 | 2102 | 2252 | 2352 |
| 自由提升高度h3 | mm | 1600 | 1300 | 1555 | 1705 | 1805 |
| 起升高度h3 | / | 1600 | 2500 | 3000 | 3300 | 3500 |
| 作业时门架最大高度h4 | mm | 2102 | 3062 | 3562 | 3862 | 4062 |
| 总体长度l1 | mm | 1930 | ||||
| 车体宽度b1 | mm | 780 | ||||
| 货叉尺寸s/e/l | mm | 60×180×1100 | ||||
| 货叉外宽b5 | mm | 650 | ||||
| 轴距中心离地间隙m2 | mm | 27 | ||||
| 通道宽度,托盘1000*1200Ast | mm | 2587 | ||||
| 通道宽度,托盘800*1200Ast | mm | 2522 | ||||
| 转弯半径W2 | mm | 1750 | ||||
| 行驶速度,满载/空载 | Km/h | 4/5 | ||||
| 提升速度,满载/空载 | m/s | 0.08/0.1 | ||||
| 下降速度,满载/空载 | ms/s | 0.15/0.12 | ||||
| 最大爬坡能力,满载/空载 | % | 5/10 | ||||
| 行走制动 | / | / | ||||
| 驱动电机功率 | Kw | 0.75 | ||||
| 提升电机功率 | Kw | 2.2 | ||||
| 蓄电池电压/额定容量 | V/Ah | 24/240 | ||||
| 蓄电池尺寸(长×宽×高) | mm | 650×249×500 | ||||
| 蓄电池重量 | kg | 220 | ||||
| 自重(含蓄电池) | kg | 1020 | 1040 | 1050 | 1060 | 1070 |
| 驾驶员耳边噪音等级符合DIN12053 | dB(A) | 70 | ||||
