额定载荷kg 2000
载荷中心距mm 500
前悬距mm 920
轮距mm 1400
| 物料编码 | 单位 | VB03040094 | VB03040095 | VB03040096 | VB03040097 | VB03040098 |
| 驱动方式 | / | 电动 | ||||
| 驾驶方式 | / | 站驾 | ||||
| 额定载荷 Q | kg | 2000 | ||||
| 载荷中心距 c | mm | 500 | ||||
| 前悬距 x | mm | 795 | ||||
| 轮距 y | mm | 1395 | ||||
| 轴负载,满载时前/后轴 | kg | 958/1042 | ||||
| 轴负载,空载时前/后轴 | kg | 736/264 | ||||
| 轮子 | / | 聚胺酯轮 | ||||
| 轮子尺寸,前轮 | / | Φ250×80 | ||||
| 轮子尺寸,后轮 | / | Φ498x82 | ||||
| 附加轮(尺寸) | / | Φ150×60 | ||||
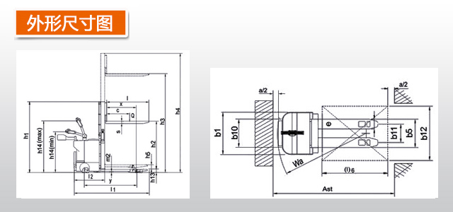
| 前轮轮距 b10 | mm | 636 | ||||
| 后轮轮距 b11 | mm | 800-700 | ||||
| 门架缩回时高度 h1 | mm | 2145 | 1895 | 2145 | 2295 | 2395 |
| 起升高度 h3 | mm | 1600 | 2500 | 3000 | 3300 | 3500 |
| 作业时门架最大高度 h4 | mm | 2145 | 3145 | 3645 | 3995 | 4195 |
| 降低时高度 h13 | mm | 70 | ||||
| 总体长度 l1 | mm | 1965 | ||||
| 车体宽度 b1 | mm | 1142-1532 | ||||
| 货叉尺寸 s/e/l | mm | 1070×100×40 | ||||
| 货叉外宽 b5 | mm | 200-800 | ||||
| 轴距中心离地间隙 m2 | mm | 65 | ||||
| 通道宽度,托盘1000*1200(1200跨货叉放置) Ast | mm | 2691 | ||||
| 通道宽度,托盘800*1200(1200跨货叉放置) Ast | mm | 2570 | ||||
| 转弯半径 W2 | mm | 1800 | ||||
| 行驶速度,满载/空载 | Km/h | 4/5.6 | ||||
| 提升速度,满载/空载 | m/s | 0.08/0.1 | ||||
| 下降速度,满载/空载 | ms/s | 0.15/0.12 | ||||
| 最大爬坡能力,满载/空载 | % | 6/10 | ||||
| 行走制动 | / | 电磁制动 | ||||
| 驱动电机功率 | Kw | 0.9 | ||||
| 提升电机功率 | Kw | 3 | ||||
| 蓄电池电压/额定容量 | V/Ah | 24/240 | ||||
| 蓄电池尺寸(长×宽×高) | mm | 675x254x500 | ||||
| 蓄电池重量 | kg | 240 | ||||
| 自重(含蓄电池) | kg | 1100 | ||||
| 驾驶员耳边噪音等级符合DIN12053 | dB(A) | 70 | ||||
